기계 재료 기호 표시
- 기계 재료
- 기계 부품에는 철강재료, 비철 금속재료 및 비금속 재료 등 다양한 재료가 사용된다. 기계 재료를 표시할 때 일반적인 재료 명칭 대신 KS D 에 정해진 재료 기호를 사용하여 도면에 부품의 재료를 표시한다.
- 기계 재료의 표시방법
- 도면의 부품란에는 각 부품의 기능에 적합한 기계 재료가 표시되어 있다. 도면에서 재료 기호를 사용하면 부품의 재료를 간단하고 명료하게 알아 볼 수 있어야 한다.

3. 재료 기호의 구성
재료 기호는 재질, 강도, 제품명등으로 다음과 같이 3부분으로 구성이 되어 있다.
- 처음부분
- 재질을 나타내는 부분으로 재질의 영어 표기 머리글자나 원소기호를 사용
- 중간부분
- 규격명, 제품명을 표시하는 기호로 주조품, 단조품, 판,관 등 같은 제품의 모양별 종류나 용도를 표시
- 끝 부분
- 재료의 종류를 나타내는 기호로 인장강도 등을 나타내는 숫자를 사용, 제조 방법, 열처리 상황을 표시
- SM20C – 기계 구조용 탄소강
- S : STEEL
- M : MACHINE
- 20C : 탄소함유량
- SC37 – 탄소용 주강품
- S : STEEL
- C : 주조품
- 37 : 최저 인장 강도
- STC3 – 탄소공구강
- S : STEEL
- T : TOOL
- C : CARBON
- 3 : 3종
- SM20C – 기계 구조용 탄소강
- 재료의 종류를 나타내는 기호로 인장강도 등을 나타내는 숫자를 사용, 제조 방법, 열처리 상황을 표시
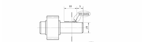
- 기계 재료의 열처리 표시
- 부품 전체에 열처리를 할 때에는 재질과 함께 열처리 방법을 표시 혹은 열처리라 작성을 한다. 부품의 일부분만 열처리를 할 때 외형선에 평행하게 줄을 그거 열처리 방법을 기입을 하게 된다.



